
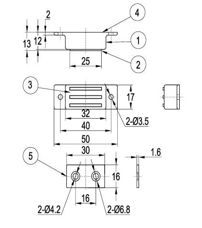
材料及表面处理
编号 | 零件名 | 材料 | 表面处理 |
1 | 本体 | 黄铜 | 镀镍 |
2 | 磁轭 | 钢SPCC | |
3 | 磁铁 | 铁氧体 | - |
4 | 底盖 | 铝合金 | 阳极氧化 |
5 | 吸片 | 钢SPCC | 镀镍 |
| 零件号 | 吸力(N) | 重量(g) |
| EV198-12140001 | 68.6 | 32 |
Copyright © 2026 义文www.evan.com.cn 版权所有
沪ICP备05026953号-1
沪11公网安备 31011502007050号